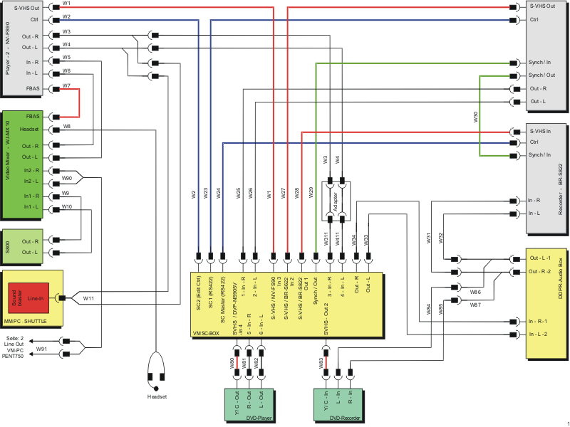
Video Machine Verkabelung

 

VM Cabling 01          VM Cabling 02

     VM Boards + Video Recorder                                                        VM Boards + Recorder + PC + Monitore


rs232 422 str

RS422 / RS232 Treiber


Blockdiagramme der Video Machine + YUV Interface + DDPR

 

VM Block 01          VM Block 02

 VM - Blockdiagramm                                                                                   VM YUV Interface


vm block 08 

VM - DDPR


vm blockdiagram audio 01          vm blockdiagram audio 02

Audio Analog                                                                                                                     Audio Digital


vm blockdiagram video 01          vm blockdiagram video 02

Video A/D                                                                                                            Video D/A


 

Wir benutzen Cookies

Wir nutzen Cookies auf unserer Website. Einige von ihnen sind essenziell für den Betrieb der Seite, während andere uns helfen, diese Website und die Nutzererfahrung zu verbessern (Tracking Cookies). Sie können selbst entscheiden, ob Sie die Cookies zulassen möchten. Bitte beachten Sie, dass bei einer Ablehnung womöglich nicht mehr alle Funktionalitäten der Seite zur Verfügung stehen.